Skip to content Skip to sidebar Skip to footer

How To Test A Flame Sensor - Flame sensors are found from the simplest gas stoves to huge industrial plants.

How To Test A Flame Sensor - Flame sensors are found from the simplest gas stoves to huge industrial plants.. Template:stuba flame sensor is a safety measure installed in appliances such as furnaces and clothing dryers. How to clean and test the flame sensor. We offer a flame tester unit that works with our entire range of flame detectors. Expert express is raleigh, durham, chapel hill, garner, apex, holly springs, and wake forest premier plumbing heating and air conditioning contractor. The flame sensor is very sensitive to ir wavelength at 760 nm ~ 1100 nm light.

How the flame sensor works is by a small ac electrical charge going through the sensor and it. How the flame sensor works is by a small ac electrical charge going through the sensor and it uses the flame to carry the electrical power to ground. How can you detect the presence of a flame without a fancy commercial device? A flame sensor is designed to regulate the flow of gas from a gas valve, much like a thermocouple. A flame detector is a sensor designed to detect and respond to the presence of a flame or fire, allowing flame detection.

What Components Are In A Forced Air Gas Furnace What Do They Do
What Components Are In A Forced Air Gas Furnace What Do They Do from static.wixstatic.com
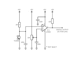
The sensor is usually located on left side but on some furnaces it may be on the right side. The flame sensor has a coating on it to make it last a long time and will get worn off by over cleaning, so it is best to only clean rod when it is needed. The flame sensor is very sensitive to ir wavelength at 760 nm ~ 1100 nm light. How to test a furnace ignitor. The variety of coloured flames is due to. The flame sensor is a commonly replaced. In this article, i will guide you on how to build a flame sensor with a few extra bucks and some microcontroller the distance of the flame varies with ambient light. In my tests, the sensor was able to detect a match's.

Fireworks are the best examples of how flame tests work.

The flame sensor is a commonly replaced. We offer a flame tester unit that works with our entire range of flame detectors. A bad flame sensor will not allow the dryer to ignite and must be replaced. We've established earlier that a flame sensor is a device used to detect fires in furnaces but it can be referred to as a piece of safety equipment as well, providing confirmation as to whether the furnace is functioning properly. The importance of flame sensor. Expert express is raleigh, durham, chapel hill, garner, apex, holly springs, and wake forest premier plumbing heating and air conditioning contractor. How to test a flame sensor on your furnace. You may find many reasons why a flame sensor is not working. A flame sensor is designed to regulate the flow of gas from a gas valve, much like a thermocouple. Internal sensor test (optional) if testing with our talentum flame detector tester is not possible, use this wiring method to test your flame detector. Fireworks are the best examples of how flame tests work. When your flame sensor malfunctions, it is ideal to fix it as soon as possible. When the flame sensor is dictates fire led will glow.

Here are the steps to test a flame sensor Internal sensor test (optional) if testing with our talentum flame detector tester is not possible, use this wiring method to test your flame detector. A bad flame sensor will not allow the dryer to ignite and must be replaced. The porcelain insulates the sensor against grounding itself. How to test a furnace ignitor.

Ruud Not Staying Lit I Cleaned Flame Sensor Still Shutting Down Doityourself Com Community Forums
Ruud Not Staying Lit I Cleaned Flame Sensor Still Shutting Down Doityourself Com Community Forums from www.doityourself.com
You may find many reasons why a flame sensor is not working. Internal sensor test (optional) if testing with our talentum flame detector tester is not possible, use this wiring method to test your flame detector. The flame sensor is very sensitive to ir wavelength at 760 nm ~ 1100 nm light. The porcelain insulates the sensor against grounding itself. To locate the flame sensor, you will need to remove the furnace access cover. Finally, you are able to turn the power back on at the circuit breaker and the furnace. So in summary the flame test is to heat a substance to the point where it emits light at a characteristic wavelength, and to infer what it is from the wavelength, i.e. Regardless of what you may think, it's relatively straightforward to know if the flame.

A bad flame sensor will not allow the dryer to ignite and must be replaced.

When the burner ignites, the flame sensor detects the heat and communicates to the control board to allow that burner to stay lit. In my tests, the sensor was able to detect a match's. How to test a furnace flame sensor. A flame detector is a sensor designed to detect and respond to the presence of a flame or fire, allowing flame detection. A bad flame sensor will not allow the dryer to ignite and must be replaced. We've established earlier that a flame sensor is a device used to detect fires in furnaces but it can be referred to as a piece of safety equipment as well, providing confirmation as to whether the furnace is functioning properly. How does a flame sensor work. Watch a pinnacle career institute student demonstrate how to test a flame sensor in a furnace. A simple tutorial for using flame sensor with arduino. How to clean and test the flame sensor. Testing the flame sensor isn't complicated, but you will need a light source and multimeter to do the job. When the flame sensor is dictates fire led will glow. A uv detector uses a sensor tube that detects radiation emitted in the 1000 to 3000 in response to uv radiation from a flame that falls within the narrow band, the sensor generates a series of pulses that are andres on how to test triac with multimeter.

How to test a furnace ignitor. This video demonstrates how to test a flame sensor on a gas dryer. How to do a flame test. Here's how to perform a flame test and how to interpret the colors you see. A bad flame sensor will not allow the dryer to ignite and must be replaced.

Flame Sensor What Is This Furnace Part And How To Fix It
Flame Sensor What Is This Furnace Part And How To Fix It from images-na.ssl-images-amazon.com
Furnace flame sensor testing and flame rectification troubleshooting! Fireworks are the best examples of how flame tests work. You don't need to be an hvac technician to test the flame sensor, but how to tell if the flame sensor is bad? Household 120v, coleman camping burner, flame sensor. How to do a flame test. It also requires a flame sensor to ensure the flame continues to burn inside the flame chamber. These type of sensors are usually used for short ranges. Here's how to perform a flame test and how to interpret the colors you see.

A flame detector is a sensor designed to detect and respond to the presence of a flame or fire, allowing flame detection.

A flame failure occurs when the flame within the combustion chamber of the boiler, oven, or kiln fails due to equipment malfunction or faulty operation. The variety of coloured flames is due to. A simple tutorial for using flame sensor with arduino. The flame sensor is a metal rod with white or dingy yellow/brown porcelain surrounding the mounting end. Case 0 will be activated and. The importance of flame sensor. Expert express is raleigh, durham, chapel hill, garner, apex, holly springs, and wake forest premier plumbing heating and air conditioning contractor. Here's how to perform a flame test and how to interpret the colors you see. This video demonstrates how to test a flame sensor on a gas dryer. The premise is that heat gives energy to elements and ions, causing them to emit light at a characteristic color or. Testing one is essential to maintaining proper and safe a malfunctioning flame sensor could cause permanent damage to the device, irregular function and a serious fire. 3.how do i know my flame detector is working? How the flame sensor works is by a small ac electrical charge going through the sensor and it uses the flame to carry the electrical power to ground.